Перейти к содержанию

1920x420_black_friday2025.jpg

sales_shop_25__25_1920x420.jpg

Final Audio - Эмоции в каждом прослушивании

sale50feb.webp

komplekti_dec122024.webp

sale50feb.webp

friends_club.webp

1920x420_vse_poslushat.jpg

aurian_jan23.jpg

AAB

Ламповые усилители

Рекомендуемые сообщения

Наушники - это многоквартирный дом, АС - частный сектор..

Знаю человека, который в своём частном секторе предпочитает наушники

  • Нравится 2

Поделиться сообщением


Ссылка на сообщение
Поделиться на другие сайты

Знаю человека, который в своём частном секторе предпочитает наушники

просто комната не подготовленная, сравнивать *** с пальцем))

✭ Handcrafted by Lukich/Abbas ✭

 

 

  • Нравится 1

Поделиться сообщением


Ссылка на сообщение
Поделиться на другие сайты

Извиняюсь, вчера на работе интернет вырубился. Для меня наушники вспомогательный инструмент. Все таки музыку надо слушать через АС. Любые наушники нарушают стерео-панораму, искажают тональный баланс. Такова физика процесса. Аудиофильские наушники порой так искажают тембры инструментов, что зачастую ,фигурально выражаясь, трудно отличить скрипку от альта.

Я еще раз извиняюсь. Опять на работе не вовремя вырубился интернет. Я хотел дальше написать, почему хорошие наушники все таки незаменимая вещь.

1 В семье разные музыкальные пристрастия;

2 Поздним вечером хочется послушать музыку;

3 Слушать музыку на работе на работе, если есть такая возможность;

4 В гостинице в случае командировки или отдыха.

Под эти задачи, в идеале, нужны разные модели наушников. Главное правильно и к месту ими пользоваться. Ну и не ставить в наушниках слишком большую громкость, это ведет к необратимой потери слуха.

Да здравствуют наушники УРА!!!


Аппаратура: Стерео-система "Триоль", студ. мониторы "Yamaha", усилитель для наушников "Супер Аудион".

НаушникиSennheiser HD650 и др. Статьи по аудио https://disk.yandex.ru/d/osfig5lm9MbeKA?w=1

  • Нравится 5

Поделиться сообщением


Ссылка на сообщение
Поделиться на другие сайты

В наушниках свой шарм, особенно в американских :wub:

а если название наушников начинается на - A (это победа)

Изменено пользователем bruno093

✭ Handcrafted by Lukich/Abbas ✭

 

 

Поделиться сообщением


Ссылка на сообщение
Поделиться на другие сайты

На местной барахолке продается доработанный Kryl007 усилитель Laconic Night Blues.

Есть счастливые владельцы сего? Что можете сказать о звучании?

Изменено пользователем drhead.pavel.v

 

 

 

* Удифил любит глазами.
* Самая лучшая музыка - перед рассветом...

 

Поделиться сообщением


Ссылка на сообщение
Поделиться на другие сайты

SU-1 --> MS audio 1.0 --> Ратша -2 --> Denon AH-D5000, HD650

Провода: S/PDIF WE 7x0.5,межблок RLS-RCA-3, power cord WE 3x2.5, RLS-24 от sergst

Поделиться сообщением


Ссылка на сообщение
Поделиться на другие сайты

@Олег Шастов, Я ба предпочел выраженное на страницах

Форума мнение-заключение мастера о его доработке - со всеми объективно-субъективными

характеристиками и изменениями.

К чему прятаться по норам - эта информация будет полезна всем.


 

 

 

* Удифил любит глазами.
* Самая лучшая музыка - перед рассветом...

 

Поделиться сообщением


Ссылка на сообщение
Поделиться на другие сайты

Уважаю самодельщиков, сам такой, но параметры усилителя...

Не не понял, а в чём "изюминка" данного уся? Если тольк индикаторы...

"рекордно маленький уровень нелинейных искажений" - откуда такое смелое утверждение?

 

P.S. Не принимайте на свой счёт, просто потрепаться охота какая-то :)


Звуковая карта  RME HDSPe AIO Pro ✭ Эталонный усилитель для электростатических наушников ✭ STAX SR-X9000

Поделиться сообщением


Ссылка на сообщение
Поделиться на другие сайты

"рекордно маленький уровень нелинейных искажений" - откуда такое смелое утверждение?

А Вы найдите ламповый усилитель с искажениями 0,15% подтвержденные спектрограммой. Изменено пользователем Игорь Тихомиров

Аппаратура: Стерео-система "Триоль", студ. мониторы "Yamaha", усилитель для наушников "Супер Аудион".

НаушникиSennheiser HD650 и др. Статьи по аудио https://disk.yandex.ru/d/osfig5lm9MbeKA?w=1

Поделиться сообщением


Ссылка на сообщение
Поделиться на другие сайты

...

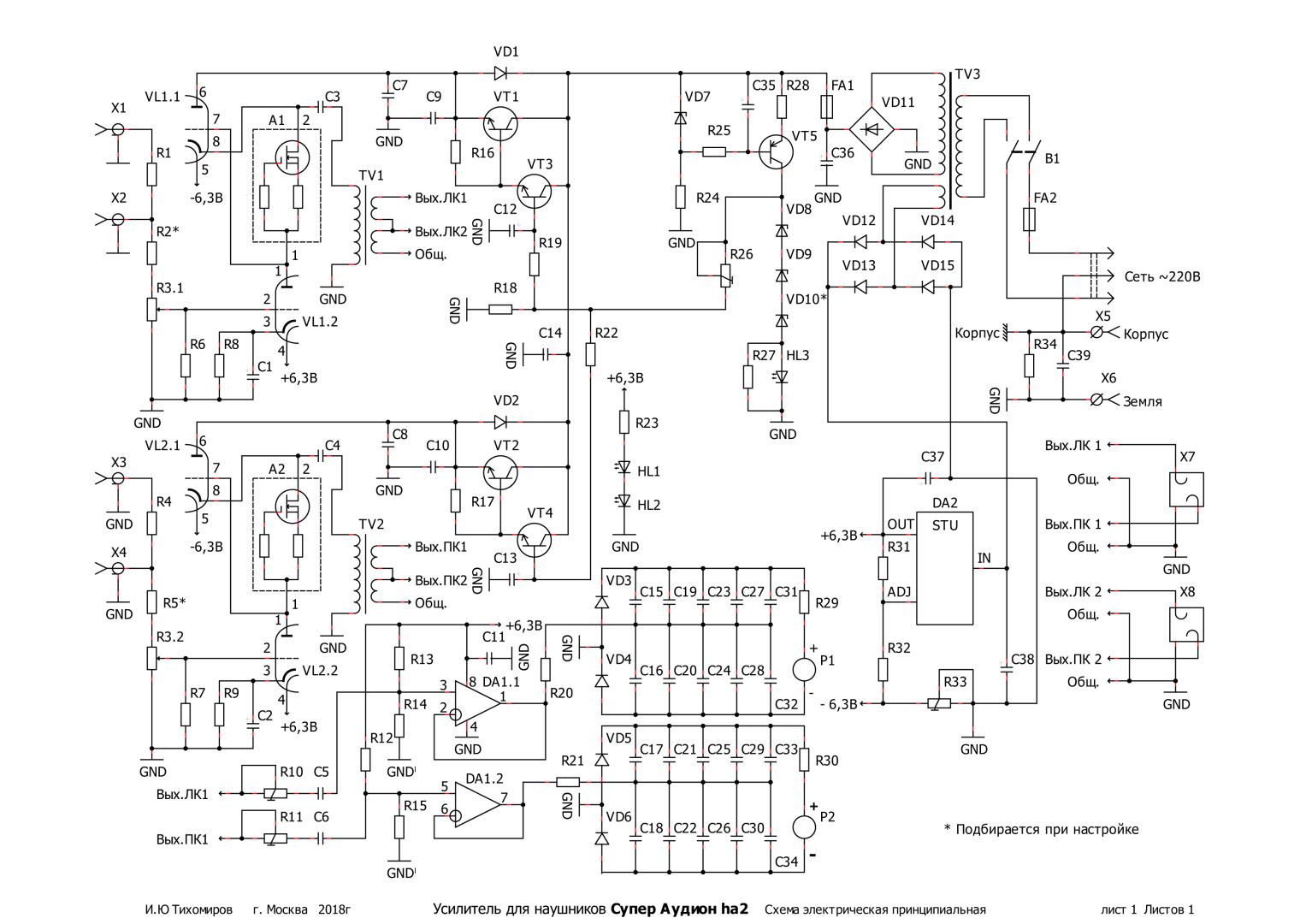
Дизайн, по сравнению с Аудионом ha1, претерпел существенные изменения.

В усилителе применена элементная база высокого качества, в частности такие элементы как: дискретный потенциометр регулятора громкости DACT CT2-2; конденсаторы С1, С2 - ELNA Cerafine; конденсаторы С3, С4 - Mundorf M Cap; резисторы аудио цепей - Kiwame; разъемы RCA - Furetech FP-900(G).

Монтаж аудио цепей выполнен посеребренным проводом. "Земляная" шина выполнена из эксклюзивного материалла, который применялся для изготовления коробочек для электронных узлов легендарного Советского лампового хай-энд локатора "Смерч" аэроплана МиГ-25 (листовой медный сплав покрытый толстым слоем серебра).

Скажите пожалуйста, удалось ли предварительно проверить влияние качественной элементной базы на предыдущем усилителе или они сразу были применены в новом усилителе? И как вы сами, на слух, оцениваете степень влияния улучшенных компонентов на качество звучания вашего устройства?

Я уже слушал ваш Аудион ha1 и высказывал свои критические замечания по нему, есть ли заметные улучшения в НЧ диапазоне?


Система: ПК(Рабочая станция) -> (via Wi-Fi) -> NAA -> ЦАП DSC2 -> Beta22 -> Phonon SMB-02 (персональный MOD) или Sennheizer HD800 (персональный MOD). Портатив: QLS QA360 -> Phonon SMB-02.

Продаю:

Поделиться сообщением


Ссылка на сообщение
Поделиться на другие сайты

Нельзя так отвечать. Если делаете какое-то важное или ответственное утверждение, особенно в техническом плане, то подразумевается, что это либо общеизвестно, либо данные представлены по результату каких-то серьёзных исследований рынка, в частном случае как в вашем, - усилителей для наушников. Вопрос проводили вы такие изыскания или нет я даже не буду задавать, поскольку ответ предсказуем и скажем так, ожидаем.

 

Но судя по другой теме, вы технически грамотный специалист, во всяком случае в вопросах акустики. Мне вот интересно, почему выбрали лампы, а не транзисторы или интегральные схемы? Выше спрос, традиция такая или что-то ещё? Просто у меня есть задумки по построению своего собственного усилка, вернее копирования лучших практик :)), но боюсь в одиночку такую идею не осилю...


Звуковая карта  RME HDSPe AIO Pro ✭ Эталонный усилитель для электростатических наушников ✭ STAX SR-X9000

Поделиться сообщением


Ссылка на сообщение
Поделиться на другие сайты

Я уже слушал ваш Аудион ha1 и высказывал свои критические замечания по нему, есть ли заметные улучшения в НЧ диапазоне?

А что не так в НЧ диапазоне? Другой эксперт нашел, что в Аудионе ha1 наоборот подъем на ВЧ. Надо организовать новое прослушивание. Надеюсь новый усилитель всем понравится. Изменено пользователем Игорь Тихомиров

Аппаратура: Стерео-система "Триоль", студ. мониторы "Yamaha", усилитель для наушников "Супер Аудион".

НаушникиSennheiser HD650 и др. Статьи по аудио https://disk.yandex.ru/d/osfig5lm9MbeKA?w=1

  • Нравится 1

Поделиться сообщением


Ссылка на сообщение
Поделиться на другие сайты

Мне вот интересно, почему выбрали лампы, а не транзисторы или интегральные схемы?

Я усилители и на тех и на других делаю. Преимущество ламп для аудио применения в том, что они могут работать без глубокой ООС, за счет своей собственной линейности. Изменено пользователем Игорь Тихомиров

Аппаратура: Стерео-система "Триоль", студ. мониторы "Yamaha", усилитель для наушников "Супер Аудион".

НаушникиSennheiser HD650 и др. Статьи по аудио https://disk.yandex.ru/d/osfig5lm9MbeKA?w=1

  • Нравится 2

Поделиться сообщением


Ссылка на сообщение
Поделиться на другие сайты

Я уже слушал ваш Аудион ha1 и высказывал свои критические замечания по нему, есть ли заметные улучшения в НЧ диапазоне?

А что не так в НЧ диапазоне? Другой эксперт нашел, что в Аудионе ha1 наоборот подъем на ВЧ. Надо организовать новое прослушивание. Надеюсь новый усилитель всем понравится.

, напомню.

 

...

Итак, основной повесткой прослушки было сравнение лампового усилителя спроектированного и собранного Игорем Тихомировым из недорогих, но трудоемких в изготовлении и модернизации компонентов с уникальным топовым усилителем Сергея (sergst) на лампах 300V от (Demograf).

Будучи лицом нейтральным и не заинтересованным мне и надлежит высказать свое мнение по поводу этой «дуэли».

Сравнение я проводил в основном на своих HD800, которые мне хорошо знакомы.

Сразу хочется сказать, что усилитель Игоря проявил себя вполне достойно.

Во первых, он справлялся с усилением HD800 на нормальной (комфортной) громкости прослушивания и демонстрировал неплохое разрешение, однако на фоне именитого конкурента демонстрировал и некоторые недостатки (они были сразу изложены Игорю в письменном виде), а именно: 1) хуже прорисовывалось пространство из-за чего воображаемая сцена казалась немного скученной и расстояние между музыкантами было меньше; 2) проявлялся некоторый акцент на ВЧ и 3) (возможно самый заметный для меня) некоторая несобранность в НЧ диапазоне, которая проявилась в необычном звучании контрабаса.

Ещё раз напомню, что сравнение проводилось на системе Сергея и на его любимом музыкальном материале (Jazz). ;) Да и разница в цене аппаратов, просто космическая!

 

И всеже, есть какие либо улучшения в качестве звучания в сравнении с первым усилителем?


Система: ПК(Рабочая станция) -> (via Wi-Fi) -> NAA -> ЦАП DSC2 -> Beta22 -> Phonon SMB-02 (персональный MOD) или Sennheizer HD800 (персональный MOD). Портатив: QLS QA360 -> Phonon SMB-02.

Продаю:

Поделиться сообщением


Ссылка на сообщение
Поделиться на другие сайты

Мне вот интересно, почему выбрали лампы, а не транзисторы или интегральные схемы?

Я усилители и на тех и на других делаю. Преимущество ламп для аудио применения в том, что они могут работать без глубокой ООС, за счет своей собственной линейности.

Понял. Мои предпочтения совсем противоположные...


Звуковая карта  RME HDSPe AIO Pro ✭ Эталонный усилитель для электростатических наушников ✭ STAX SR-X9000

Поделиться сообщением


Ссылка на сообщение
Поделиться на другие сайты
А Вы найдите ламповый усилитель с искажениями 0,15% подтвержденные спектрограммой.
Хитрый вопрос. Усилителей с заявленными лучшими параметрами немало, те же Audiovalve, но спектров нет. Допустим, есть график на Conductor, но это пред, а не наушниковый.

 

 


Спойлер

 

Аудиотракт (Hi-End)

Динамики ГР-9 военной приемки (винтаж). Усилитель - Интерскол ИСП-200 (7кВт)

Портатив:

iPhone Chine Limited Edition, наушники родные, провод в оплетке из синей изоленты. Все прогрето в аудиофильской СВЧ от Samsung.

Вся музыка приготовлена ручным апконвертом из mp3 (128) в DSD (128).

Разницу между t.A.T.u. и The Berzerker слышу!

 

 

Поделиться сообщением


Ссылка на сообщение
Поделиться на другие сайты

Если усь ha1 сравнивали с усем который у Сергста, то это как-то не корректно. У Сергста усилитель стоит денег очень много и лампы стоят ещё столько же. К тому же, насколько я помню, у него усь играет на ушах и на колонках одновременно. Как бы это уже сверх топ. Если ha1 что-то там простивопоставил вменяемого, то это уже достижение. Я у Сергста пару-тройку раз его слушал - мне хватило. До сих пор помню хлесткий удар на 800-х - удар сравнимый с плетью.


 

Denon DP-37 / Marantz CD-84 --- OTL-усилитель от Danfi (Mullard ECC88х1/ 6С19Пх4) --- DT 990 (vintage), DT 801 (провод от винтажных 990-х)

 

 

Поделиться сообщением


Ссылка на сообщение
Поделиться на другие сайты

И всеже, есть какие либо улучшения в качестве звучания в сравнении с первым усилителем?

Вот еще впечатления о НА1 от другого эксперта.

2 дня сравнивал со своим Musatoff HA5-SE. Наушники у меня Sennheiser HD 800.

.....Края диапазона есть, не поджаты. .....Однако отличить один от другого по звуку я смогу вслепую в первые же секунды. У Аудион есть подьём на верхний СЧ (либо это начало ВЧ) и, похоже, на верхних ВЧ. Я было подумал что у Мусатова провал, но потери детальности на ВЧ у него нет, воспроизводит ровно ту же информацию. Просто тональный баланс разный. Там где на Мусатове бъют по деревяшкам, на Аудионе по стеклу, на Мусатове в другом треке снова по дереву, на Аудионе по жестянке. Да, да - настолько разнится звук! .....Аудион выдаёт более светлый звук, возможно это в плюс для того, кто любит побольше высоких. Мне же такой звук кажется более "грязным" (на нескольких треках вылезли сибилянты, которых не было на Мусатове), я люблю привычный мне "округлый" звук Мусатова.

Разве подъем на ВЧ кто нибудь отметил на прослушке у Сергея? Технически в усилителе этого быть не может. Вот в наушниках НД800, которые использовал эксперт, есть грубый подъем на ВЧ. В общем сколько людей, столько мнений. И это нормально, ведь слух человека строго индивидуален. Тем более при использовании наушников, где отсутствуют ряд механизмов образования нормального тонального баланса. Зато,у разных наушников, присутствует причудливая коррекция АЧХ.

Изменено пользователем Игорь Тихомиров

Аппаратура: Стерео-система "Триоль", студ. мониторы "Yamaha", усилитель для наушников "Супер Аудион".

НаушникиSennheiser HD650 и др. Статьи по аудио https://disk.yandex.ru/d/osfig5lm9MbeKA?w=1

Поделиться сообщением


Ссылка на сообщение
Поделиться на другие сайты

Если усь ha1 сравнивали с усем который у Сергста, то это как-то не корректно. У Сергста усилитель стоит денег очень много и лампы стоят ещё столько же. К тому же, насколько я помню, у него усь играет на ушах и на колонках одновременно. Как бы это уже сверх топ.

Вот Аудион НА2 стоит сравнить. Денег на комплектацию затрачено не мерено. Технические характеристики на уровне.

Аппаратура: Стерео-система "Триоль", студ. мониторы "Yamaha", усилитель для наушников "Супер Аудион".

НаушникиSennheiser HD650 и др. Статьи по аудио https://disk.yandex.ru/d/osfig5lm9MbeKA?w=1

Поделиться сообщением


Ссылка на сообщение
Поделиться на другие сайты

Денег на комплектацию затрачено не мерено.

 

Настолько много, что даже не хватило поставить AC Inlet C14 для того чтобы пользователь мог включать различные силовые кабели?

Изменено пользователем firewheel

Digital Source: Moon 260D CD Transport

DAC: Muse 192

INTERCONNECT: Cubala Sosna Fascination

Archipov Laboratory Universal Dual Octal

HEADPHONE CABLE: Sennheiser Stock

HEADPHONES: HD800S

------------------------------------

  • Нравится 2

Поделиться сообщением


Ссылка на сообщение
Поделиться на другие сайты

Настолько много, что даже не хватило поставить AC Inlet C14 для того чтобы пользователь мог включать различные силовые кабели?

Сетевой кабель и штепсель золотые. :yes:

Аппаратура: Стерео-система "Триоль", студ. мониторы "Yamaha", усилитель для наушников "Супер Аудион".

НаушникиSennheiser HD650 и др. Статьи по аудио https://disk.yandex.ru/d/osfig5lm9MbeKA?w=1

  • Нравится 1

Поделиться сообщением


Ссылка на сообщение
Поделиться на другие сайты
Надо организовать новое прослушивание. Надеюсь новый усилитель всем понравится.

Хорошая идея. К примеру, у Сергст в какую-нибудь субботу.

 


Спойлер

 

Аудиотракт (Hi-End)

Динамики ГР-9 военной приемки (винтаж). Усилитель - Интерскол ИСП-200 (7кВт)

Портатив:

iPhone Chine Limited Edition, наушники родные, провод в оплетке из синей изоленты. Все прогрето в аудиофильской СВЧ от Samsung.

Вся музыка приготовлена ручным апконвертом из mp3 (128) в DSD (128).

Разницу между t.A.T.u. и The Berzerker слышу!

 

 

  • Нравится 1

Поделиться сообщением


Ссылка на сообщение
Поделиться на другие сайты

Игорь Тихомиров (05 November 2018 - 21:29) писал: Надо организовать новое прослушивание. Надеюсь новый усилитель всем понравится. Хорошая идея. К примеру, у Сергст в какую-нибудь субботу

Можно попробовать напрасится к Сергею в следующую субботу. Есть еще желающие принять участие? Изменено пользователем Игорь Тихомиров

Аппаратура: Стерео-система "Триоль", студ. мониторы "Yamaha", усилитель для наушников "Супер Аудион".

НаушникиSennheiser HD650 и др. Статьи по аудио https://disk.yandex.ru/d/osfig5lm9MbeKA?w=1

  • Нравится 1

Поделиться сообщением


Ссылка на сообщение
Поделиться на другие сайты

Для публикации сообщений создайте учётную запись или авторизуйтесь

Вы должны быть пользователем, чтобы оставить комментарий

Создать учетную запись

Зарегистрируйте новую учётную запись в нашем сообществе. Это очень просто!

Регистрация нового пользователя

Войти

Уже есть аккаунт? Войти в систему.

Войти

  • Последние посетители   0 пользователей онлайн

    Ни одного зарегистрированного пользователя не просматривает данную страницу

×
×
  • Создать...

Важная информация

Пользуясь форумом вы соглашаетесь с нашими Условия использования.